|
|
||||||||||||||||||||||||||||||||||||||||||||||||||||||||||||||||||
|
|
||||||||||||||||||||||||||||||||||||||||||||||||||||||||||||||||||
|
オーディオみじんこ
オーディオ聖地巡礼記2004年9月 |
||||||||||||||||||||||||||||||||||||||||||||||||||||||||||||||||||
|
2004.9.24
久しぶりのみじんこオーディオシステム大幅進化 ここ数日でみじんこオーディオシステムが大幅に変化しました。さて、どのようになったのかというと・・・。 |
||||||||||||||||||||||||||||||||||||||||||||||||||||||||||||||||||
|
|
|
|||||||||||||||||||||||||||||||||||||||||||||||||||||||||||||||||
| 先月から実際の工作を開始していたPA-2ネットワークボックス外付け化が完了!先週の三連休の内、2日を要してなんとか完成にこぎつけたのだ。完成時の写真が左。さらに、右の写真は3日後の写真。何かが違うのだ。よーく見てみて下さい。サンスイのパワーアンプB-2103MOSVintageが2台あるでしょ。なお、昔のシステムはこちらに紹介しています。 | ||||||||||||||||||||||||||||||||||||||||||||||||||||||||||||||||||
|
|
|
|||||||||||||||||||||||||||||||||||||||||||||||||||||||||||||||||
| そう、PA-2外付けネットワークボックスが完成した数日後、サンスイB-2103をもう1台入手したのだ!なんといういいタイミングだろう。これで、PA-2をバイアンプ駆動できる!B-2103の購入ルートはヤフオク。よーく見るとフロントパネルにわずかな打ち傷があるものの、おおむね美品のお買得品。なお、B-2103についてはこちらにまとめてあります。 | ||||||||||||||||||||||||||||||||||||||||||||||||||||||||||||||||||
|
|
|
|||||||||||||||||||||||||||||||||||||||||||||||||||||||||||||||||
| 2台並んだB-2103はなんともかっこいい。私のオーディオシステムには進化の計画、つまり自分なりのロードマップを思い描いている。B-2103のバイアンプ駆動も、PA-2のネットワーク外付け化もその計画に基づいたもの。いずれチャンネルデバイダー(C-AX10)を介したPA-2駆動も念頭に置いている。いやー、いいですな、バイアンプ駆動。今回は取り急ぎ上のB-2103を高域駆動に(FT600+T825)、下のB-2103は低域駆動(PS300×2)に使用。1台で駆動させた時とはだいぶ違う。うーん、久々に自分のシステムで感動した。切れが一段とシャープになり、やや濁りがちだった高域がずいぶんとすっきりしてきた。PS300からの逆起電力などの干渉が無くなったためだろう。音場の奥行き感もぐぃーっと深まった感じ。フィルコリンズやジュリアフォーダムなど私が昔良く聞いたCDを掘り出して、久しぶりにじっくり堪能したりした。もちろん、今回はバイアンプ化だけでなく、ネットワークパーツも最新の高級品に変更し、スピーカー内部の配線やスピーカーケーブルも一新しているから、それらも相当に効いているようだ。 | ||||||||||||||||||||||||||||||||||||||||||||||||||||||||||||||||||
|
|
|
|||||||||||||||||||||||||||||||||||||||||||||||||||||||||||||||||
| PA-2はネットワークボックスを載せることで、高さがオーディオラックと同じ124cmになった。PA-2の背面はややこしくなっている。これらの詳細はいずれ詳しく紹介するつもりだが、とにかくスピーカーターミナルだけで、計24個も使用してしまった。なお、このスピーカーPA-2の製作記はこちらに紹介しています。 | ||||||||||||||||||||||||||||||||||||||||||||||||||||||||||||||||||
|
|
|
|||||||||||||||||||||||||||||||||||||||||||||||||||||||||||||||||
| PA-2ネットワークボックスのアップ。箱に取り付けられている黒い半球状の物体はT825というツイーター。ハイパス用コンデンサーは1.0マイクロF。T825は板にしっかりと取り付けたことで、鉛台に設置していた時に比べストレートでガッチリした高音を奏でるようになった。こんな感じで、みじんこオーディオシステムは変革を遂げたのであった。 | ||||||||||||||||||||||||||||||||||||||||||||||||||||||||||||||||||
|
2004.9.18
ネットワークの外付けボックス化進行状況 オーディオラックの蓋に続いて、現在は自作スピーカーPA-2のネットワークの外付けボックスを製作中である。作業は大詰めを迎えており、今月中には完成の予定。完成の暁には専用ページにて作業内容を詳細に紹介する予定だが、今回の改造に要した材料代は6万円を突破している。妻帯者にとって6万円という金額は極めて大きいのである。板カットに8,000円、銅箔コイルに\9,000、CSコンデンサーで\13,000、SPターミナルで\13,000、パーツ固定用コーリアン材に\4,000などなど。PA-2自体の製作には20万以上掛かったので、今回の改造費を加えると30万円程になる。30万円も自作スピーカーにかけるなら同額でもっと良さそうな市販スピーカーが買えるじゃないかと思わなくもない。しかしながら、スピーカー工作の面白さは市販スピーカーでは味わえない。第一、私は工作が好きでオーディオをやっているようなものだから、これでいいのだ。 |
||||||||||||||||||||||||||||||||||||||||||||||||||||||||||||||||||
| 左上は塗装前のネットワークボックス。これを見ていただくとどのような感じで設置されるか分かりやすいだろう。右上は塗装後。スピーカーにネットワークボックスを載せると、ラックと同じ高さ(124cm)になる。わざとそうなるように設計したのだ。 | ||||||||||||||||||||||||||||||||||||||||||||||||||||||||||||||||||
| 左上はネットワークボックスにスーパーツイーターT825と各種ネットワークパーツを仮組みしたところ。様々な難題にぶつかりつつも、ほぼ構想通りに出来あがりそうだ。右上はコーリアンを組み合わせたネットワーク固定ベース。この後、ネットワーク固定ベースはネットワークボックスにブチルゴムで固定してやった。コイル同士はお互いが発する磁界の影響を避けるため、巻き線の向きを違えて配置している。なお、コーリアンは私が黒く塗装したものであり、このコーリアンの原色は黄土色。 | ||||||||||||||||||||||||||||||||||||||||||||||||||||||||||||||||||
![]() |
||||||||||||||||||||||||||||||||||||||||||||||||||||||||||||||||||
| ネットワークボックスのSP入出力ターミナル。ずらりと並んだ様子はなんともカッコ良い。このSPターミナルは秋葉原の小沼電気で購入。\550/ヶなり。片チャンネルあたり8ヶのターミナルを搭載している。中程の4本はアンプからの入力用。バイワイヤリングにすべくネットワークボックスへの入力ターミナルの段階ですでにハイパス用回路への配線とハイカット用回路への配線を別経路にしている。外側各2本づつはスピーカー本体への出力用ターミナル。右上はターミナルを取り付けた内側の様子。各ネットワークパーツはターミナルにはハンダ付けせず、すべてネジ留め固定する予定。 | ||||||||||||||||||||||||||||||||||||||||||||||||||||||||||||||||||
|
|
|
|||||||||||||||||||||||||||||||||||||||||||||||||||||||||||||||||
| 左上はコイルの端末処理状態。φ8の丸穴を開けた。この穴にターミナルのポールを差し込み、ネジ留めすれば、無ハンダで配線できる。我ながらナイスアイデア。右上は0.33mHの銅箔コイルの固定状況。コーリアンで挟んで固定している。このコイルはPS300へ送られる低域信号のハイカットフィルターとしての役目。写真では見えないが、コイルとコーリアンの隙間にはフェルトを貼付けている。かなり頑丈に固定されてはいるのだが、接着剤で固定しているわけではないので、手で引っこ抜けば簡単に外すことができる。 | ||||||||||||||||||||||||||||||||||||||||||||||||||||||||||||||||||
|
|
|
|||||||||||||||||||||||||||||||||||||||||||||||||||||||||||||||||
| フォステクスCSコンデンサーの取付状態。2.2μF×2本=4.4μF。これはFT600に送られる高域信号のハイパスフィルターとして働く。リード線の先を右上写真のようにリング状にしてやったので、ターミナルのポールにはめてネジ止めすれば、ターミナルとは無ハンダで固定できる。また、ターミナル背面のネジを外せば簡単に取り外すことができる。 | ||||||||||||||||||||||||||||||||||||||||||||||||||||||||||||||||||
|
2004.9.16
AX-900ジャンク発見セリ! オーディオ店巡りをしていると、運命的な出会いがある。とはいっても、今回は他人には全く不必要なジャンク品なのだが。先月のこと、オーディオユニオン千葉店に立ち寄ったら、ビクターのプリメインアンプAX-900が棚の奥に埋もれていた。AX-900はビクターの最初で最後の高級ステレオプリメインアンプ。私も数年前に同機を入手し、分解能の良さと豪快にはじける音がえたく気に入り、現在も愛用している。飾りっけのないシンプルなフロントパネルに、同社パワーアンプM-1000に使われた巨大な鋳鉄製ベースを流用。なかなか凄みがある外見だ。このデザインは好みの分かれるところであるが、私はこういう割り切ったデザインが好きだ。 |
||||||||||||||||||||||||||||||||||||||||||||||||||||||||||||||||||
![]() |
![]() |
|||||||||||||||||||||||||||||||||||||||||||||||||||||||||||||||||
| さて、オーディオユニオン千葉店で見かけたAX-900は値札もなく、天板の一部とサイドパネルが外された状態で放置されていた。その様子からして、売りものではなさそうだ。早速、店員さんに訳を聞いてみたところ、ジャンク品なのだそう。実は現在、お客の依頼でAX-900を修理に出しているらしい。しかしながら、同機は発売から11年も経過しているため、ビクターの修理センターにも補修部品がないそうなのだ。そのためのパーツ取りとして、たまたま廃棄処分として客から引き取った壊れたAX-900を保管しているらしい。メーカーであるビクターには、AX-900の補修パーツはコンデンサーや抵抗などはいざしらず、外装ケースなどの予備パーツは全く残ってないらしい。そのことは、自分のAX-900を修理に出した時に聞いていた。同店に持ち込まれ、ビクターへ修理に出しているAX-900はスピーカーターミナルが破損しているらしいが、そのパーツもやはりビクターには残って無いらしい。左下の写真が店の棚に置いてあるジャンクのAX-900。右下は私が使っているAX-900。 | ||||||||||||||||||||||||||||||||||||||||||||||||||||||||||||||||||
![]() |
![]() |
|||||||||||||||||||||||||||||||||||||||||||||||||||||||||||||||||
| そんなわけで、ターミナルの部品取りのためにこのジャンク品を残してあるとのこと。これを聞いて私はしめた!と思った。というのも、私が所有するAX-900も最近、セレクターの調子がおかしく、たまに保護回路がロックしてしまったりする。まー、保護回路に関してはスピーカーユニットの故障やスピーカーネットワーク配線がショートしている可能性もあるのだが。それはさておき、私が所有するAX-900には傷が数カ所あるのだ。まずは、ボリュームノブの擦り傷。これは私が保管時につけてしまった。また、私が購入した時点で、すでにフロントパネル角に微細な打ち傷があった。そんなこんなで、ビクターに修理に出そうと考えていたのだ。しかし、ビクターにはすでに予備パーツはないとわかっていたので、どうしたものかと困っていた。そんな矢先のジャンク品発見。このジャンク品が入手できれば、部品取りに使えるはず。どこが壊れてジャンクになったのか、若干の不安はあるものの、いただけるならぜひいただいておきたい。そんなわけで、店員さんに事情を話すと、スピーカーターミナルを部品取りした後の残りは私に譲っていただけることになった。私のAX-900も買ったのは同じ系列の吉祥寺店だったので、交渉はすんなり成立。千葉店にしても部品取りした後の残りは廃棄するしかなかったので、むしろ引き取ってくれた方が助かるとのことだった。 | ||||||||||||||||||||||||||||||||||||||||||||||||||||||||||||||||||
![]() |
![]() |
|||||||||||||||||||||||||||||||||||||||||||||||||||||||||||||||||
| ちなみに、この日オーディオユニオン千葉店で見掛けた目玉商品は、オルトフォンの電源ケーブル7NXPSC5500XGが\42,800。寺島靖国氏がレッドバロンとあだ名する高級ケーブルだ。定価\100,000の現行品だから、半値以下はお買得。ちなみに、翌週同店を訪れたらレッドバロンは売れていた。他にはキンバーケーブルのPK-14が\11,800。これは私が買いました。ははは、良い買い物だ。翌週訪れたら、またもやPK-14が同じ値段で陳列されていた。しかも2本も。はて、なぜこんなにPK-14が?そういえば、パイオニアのプラズマモニターPDP−503PROが\298,000だった。これは\2001年に発売された定価\1,350,000のチューナー無しモニターで、艶消し黒の外見がなんとも渋くてかっこいいのだ。私に金銭的余裕があれば、即買いしていたかもしれないが、そんな余裕はない。それに、すでに売却済みとなっていた。そんなかんなで、オーディオユニオン千葉店は意外な掘り出し物がけっこう安値で置いてあったりする。 | ||||||||||||||||||||||||||||||||||||||||||||||||||||||||||||||||||
![]() |
![]() |
|||||||||||||||||||||||||||||||||||||||||||||||||||||||||||||||||
| 後日、部品取りが終わったジャンクのAX-900が送られてきた。ものはタダで譲ってもらったが、送料\3,000は私がきちんと払っている。スピーカーターミナルはリアパネルごとなくなっている。このパーツ前述の通り、別のAX-900を修理するためにビクターの修理センターへ送られたのだろう。私の所有するAX-900のスピーカーターミナルは健在なので、このパーツはなくても構わないのである。さてさて、まずはボリュームだ。ジャンク品のボリュームノブは幸い傷無しだったので、そっくり交換してやろう。なお、AX-900のボリュームはビクター独自のGMという電子制御式になっており、本当の意味でのボリュームは回路基盤上に配置されている。だから、フロントパネルのボリュームノブはGMボリュームに信号を送る役割であり、ノブの内部には回転を関知するためのセンサーと、ノブに内蔵されているLEDランプの制御基盤が内蔵されている。さらに、音量調節信号をGMボリュームに伝えるためのコードが延びている。なお、ノブ自体はプラスチック製で、重量も軽い。次にフロントパネル。これは残念ながら、やや目立つ打ち傷が付いていた。と、ここでジャンク品の検証は終了。このアンプは非常に重いので、箱から出すのが面倒。それにもともと壊れているから、動くかどうか試してみても意味がない。それにスピーカーターミナルをごっそり抜き取っているから、スピーカーをつなげることができない。万が一、電源を入れて回路がショートしたら困るし。後は私が所有するAX-900とこのジャンク品をビクター修理センター(東京都練馬区)に送ってやろう。そして、不良箇所の部品がないとなれば、ジャンク品からパーツ取りしてもらえばいい。私のAX-900とジャンク品の不良箇所が同じであれば、どうしようもないのだが。 | ||||||||||||||||||||||||||||||||||||||||||||||||||||||||||||||||||
|
2004.9.9
エソテリックの電源ケーブル 8月末、都内某所でエソテリックの新型電源ケーブルである8N-PC8100と8N-PC8000Starquadを試聴する機会を得た。試聴システムは、CDトラポがエソテリックP-0、DACは同D-70、マクタークロックが同G-0s、プリとパワーはコード、SPはティールの4way。まさにハイエンドで固められており、リファレンスに相応しい。試聴ルームは15畳弱で防音は完璧。背面のケーブル類は主に国産某メーカーのもので固められている。200V電源をステップダウントランスで落としている。電源ボックスはオヤイデ電気のMTB-4を使用しているので、電源周りも文句ナシ。 さて、ティアックエソテリックカンパニーのホームページにおける8N-PC8100と8N-PC8000についての説明を抜粋してみよう。 「ESOTERICパワーケーブルは、世界で最初かつ現在でも唯一のStressfree 8Nクラス高純度銅を開発・製品化した日鉱マテリアルズ(旧ジャパンエナジー)の導体素材を採用。このStressfree 8Nクラス高純度銅素材をさらに最高特性へと導くために、コストにとらわれない素材、膨大な経験に基づく試作、徹底した試聴の繰り返し。低域から超高域まで音調の揃ったパワーケーブルとしての完成度を追求しました。ESOTERIC MEXCELケーブルでの共同開発の実績を誇り、オーディオケーブル分野をリードする(株)アクロジャパンのケーブル技術、ハイエンドオーディオケーブルから一般用ケーブルアクセサリーまでオーディオファイルに絶大な信頼と実績を誇る(株)小柳出電気商会の協力を得、エソテリックがプロデュースした世界最高純度の8N(99.999999%)クラス高純度銅のパワーケーブルです。」 |
||||||||||||||||||||||||||||||||||||||||||||||||||||||||||||||||||
![]() |
![]() |
|||||||||||||||||||||||||||||||||||||||||||||||||||||||||||||||||
| どちらも実売20〜30万円クラスのハイエンドケーブルであり、しかも各250本の限定生産だ。実物を見たことの無い方でも、製品詳細は同社のホームページで確認していただきたいが、構造はキャプタイヤで、導体は8N銅を使用。8N-PC8100は導体断面積5.5sqの3芯、8N-PC8000Starquadは導体断面積1sqが4芯+アース線。これをスターカッド撚りとしているので、ホット/コールドは各2sqある。同社が展開するケーブルに軒並み採用されているMECXEL導体は、本製品には適用されていない。このケーブル、まずは見た目の美しさが別格。聴かずとも、飾って眺めているだけで嬉しくなってしまうような美しさ。これは、本製品専用にデザインされたACプラグとIECコネクターに起因しているところが大きい。このプラグの設計はオヤイデ電気が担当しており、基本部材は同社のP-037/C-037と同一。ケースカバーは削り出しアルミとカーボングラファイト(本物)積層樹脂で構成されており、これらの絶妙な組み合わせが高級感を醸し出している。また、電極部分にはパラジウムメッキが施されている。これはオーディオ分野ではおそらく初のメッキではないか。私は以前、パラジウムメッキされたSWO-DXの電極試作品を入手し、現在も愛用しているのだが、これはオーディオアクセサリー業界を激震させるだけの音質向上をもたらすメッキ法だと思う。ところで、仮に今回の8N-PC8100と8N-PC8000 Starquadに使われているプラグとコネクターを単売した場合、5万円前後になってしまうだろうとのこと。ケーブルとプラグとケーブルがここまでトータルデザインされた電源ケーブルは珍しい。実のところ、ACプラグやコネクター類の新規開発には相当な金額が掛かり、製造における金型代も数百万円規模で投資しなければならない。そして、PSEなどの法律上の問題もクリアーしなければならないため、各オーディオアクセサリーメーカーはおいそれとACプラグやIECコネクターの新規開発に乗り出せないのだろう。実際、オーディオ市場に溢れているオーディオ用ACプラグやコネクター、それにコンセントの多くは、工業用の転用や改良品であったりするわけだ。オリジナルの金型を使用した電源パーツを製品化しているオーディオアクセサリーメーカーといえば、オヤイデ電気とフルテックぐらいしかない。AET、ORB、CSE、ロビン企画、PAD、PSオーディオなどのオーディオアクセサリーメーカーが発売している電源パーツは軒並み、明工社、松下電工、マリンコ、レビトン、ハッベルなどの工業向け電気部品メーカーの製品を基にしている。 | ||||||||||||||||||||||||||||||||||||||||||||||||||||||||||||||||||
![]() |
![]() |
|||||||||||||||||||||||||||||||||||||||||||||||||||||||||||||||||
| 余談が過ぎたが、試聴は試聴ルームに用意されていたジャズっぽい女性ボーカルもの(詳細不詳)と、クラシック(ドボルザーク第9番第三楽章)を用いた。電源ケーブルの交換はCDトラポでおこなう。某社長によるとトラポで聞き比べするのが一番分かりやすいらしい。8N-PC8100と8N-PC8000 Starquadの試聴はまさに驚きの連続だった。はっきり言って8N-PC8100は凄い。なにが凄いって、「音楽が熱い!」のだ。前述のシステムの通常の音質は分解能に長け、定位はそこそこ良く、帯域も文句ナシの状態なのだが、やや冷たい傾向があり、音楽を積極的に聴かせるというより、冷静沈着に提示するといった雰囲気がしていた。つまり、システム固有の癖とかピークとかが感じられない反面、面白みに欠けるなーと感じたのだ。ところが、電源ケーブルを8N-PC8100に交換した途端、エネルギー感がまるで変わった。音楽に命が宿り、スピーカーが生き生きと鳴り出した。「同じシステムでこんなに変わるものなんですねー」と私が感想を述べたら、某社長はふっと笑みを浮かべられた。これ、もうエソテリックの在庫は完売し、残るはオーディオ店の在庫のみらしい。30万円近いケーブルだから、オーディオマニアといえども容易には手を出せないのかと思ったら大間違い。相当な人気らしく、中には1人で13本もの8N-PC8100を買い占めたマニアもいるらしい。私は金銭面で8N-PC8100の購入は不可能なのだが、余裕があったならこのケーブルはぜひ欲しいと思った。さて、お次は8N-PC8000 Starquad。このケーブルは一言で言うと「温かみのある」ケーブルと感じた。8N-PC8100の角を落として、わずかに帯域を狭め、中域に程よい温度感を持たせた感じだ。8N-PC8100が熱帯気候なら、8N-PC8000 Starquadは温帯気候だ。カレーに例えると、8N-PC8100が激烈スパイシーなインドカリーなら、8N-PC8000 Starquadは程よい旨みの欧風カレーだ。私の好みは8N-PC8100だ。なお、これらのケーブルについては現在発売中のオーディオアクセサリー114秋号166ページに福田雅光先生の批評記事が載っている。ただ、この記事において福田先生は8N-PC8100を「まろやかな」と評し、8N-PC8000 Starquadを「冴えて研ぎ澄まされた表現」と述べられている。私の印象とは全く逆なのだが、どうしてだろう?
某社長いわく、8N-PC8100と8N-PC8000 Starquadの音質傾向の違いはケーブルの導体断面積にあるとのこと。2本ともプラグ/コネクターは同一であり、違いはケーブル構造と断面積にある。一般的に、断面積は広い方が電気抵抗の面から言っても有利なのだが、太すぎると高域がマスクされ低域が緩くなりがち。しかしながら、8N-PC8100ではそういった欠点は見られず、全体域に渡り非常にエネルギッシュな感じを受けた。8N-PC8000 Starquadは8N-PC8100より導体断面積がやや小さく、しかもホット/コールド各2芯のスターカッド練りになっている。一説によると、スターカッド練りはS/Nが良い代わりに帯域が少し狭められると聞いたことがあるので、ここらへんも8N-PC8000 Starquadの音質傾向に起因しているのだろうか。 この後、某所に転がっていた各社電源ケーブルの中にACデザインのコンクルージョン1.4PWとZERO、それにW-1PWという主要3グレードが見受けられたので、ついでに比較試聴をさせてもらった。ACデザインはゴアテックス絶縁体と銀メッキ或いは純銀導体を特徴とする国産メーカー。和製キンバーとも言われ、情報量が多くて癖の無い音質傾向がマニアに受けている。ZEROは私も愛用しているケーブルなので、このケーブルがこのハイエンドシステムでどんな音を奏でるか興味深い。結果、ACデザインの各グレードの音質傾向はどれも大人しく癖がないという感想に終始した。逆にいうとエネルギー感があまり無く、表現があっさりしすぎている。別にACデザインを貶しているわけではないのだが、エソテリックの8N-PC8100を聴いた後だから、他のケーブルが味気なく聴こえてしまうのかも知れない。ACデザインの各グレードの違いは帯域の違いと感じた。W-1PW→ZERO→コンクルージョン1.4PWとグレードが高くなるに従って、密度感は変わらないが、高域のレンジがわずかに広がっていく感じを受けた。 最後に、8N-PC8100をトラポではなく、DACに使用しての試聴をおこなった。結果、トラポほどの激変はなかったが、8N-PC8100の持つエネルギッシュさが音楽の表情に少しだけ加味された。電源ケーブルの適材適所を見出すのは難しいが、同時に楽しいことでもあると思った。 さて、今回の試聴を経て感じたのは、電源ケーブルの奥深さ。たった1本の電源ケーブルを交換するだけでシステムの奏でる音調ががらりと変化するのを目の当たりにし、電源ケーブルの重要性を痛感した。同時に、ケーブルによる音質変化と、それに対して価値を見出し、且つ金銭を出してその変化を我が物にしようとする欲求は、オーディオマニアにしか理解できないだろうということ。オーディオ装置に興味の無い人にとっては、私が感じた音質変化も、ただの微妙なニュアンスの違いとしか感じないかもしれない。ましてや、その変化のためにケーブル1本に数十万円も投資する行為は一般人には理解しがたいとこだろう。なお、この記事を読んで8N-PC8100を欲しくなった人はこちらに販売店の一覧が紹介されている。ま、それだからこそ、オーディオは立派な趣味と言えるのだが。目下、私の目標は「自作で8N-PC8100と同等の音質を有するケーブルを目指せ!」だ。すでに具体策は考えてある。材料は揃えたので、後は作るのみ。 |
||||||||||||||||||||||||||||||||||||||||||||||||||||||||||||||||||
|
2004.9.8
ネットワークの外付けボックス化 ここしばらくは、私の現用スピーカーPA-2のネットワークの外付けボックス化作業を行っている。下の写真がそれで、PA-2の上部に重ね置きするように設計してある。 |
||||||||||||||||||||||||||||||||||||||||||||||||||||||||||||||||||
|
このネットワークボックスの製作ついでに、ネットワークのパーツ類も一新することに。どうせなら、カットオフ周波数も変更してやろうかとも考えた。あくまで聴感上のことだが、PA-2に搭載されるPS300とFT600の再生帯域がかなりだぶっていると感じていたのだ。ただ、オリジナルからあまりいじり過ぎると、せっかくの持ち味(元気の良さ)が消えてしまいかねない。色々考えた挙げ句、結局はオリジナルの回路構成のまま、パーツ類のグレードアップを図ることにした。 |
||||||||||||||||||||||||||||||||||||||||||||||||||||||||||||||||||
![]() |
|
|||||||||||||||||||||||||||||||||||||||||||||||||||||||||||||||||
|
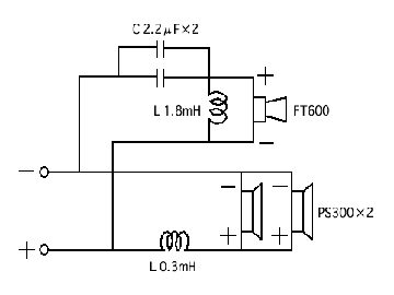
現用のPA-2には、PS300にトリテックの空芯コイル0.3mHが直列で、FT600には同じくトリテックの空芯コイル1.8mHが並列、さらにアメリカシヅキ(ASC)のコンデンサー2.2μFが2本直列で入っている。つまり、PS300側は2kHzの6dB/octローパスで、FT600は4.5kHzの6dB/octと1.8kHzの12dB/octという2段式ハイパスとなっている。なお、このネットワーク定数は長岡先生がPA-2用に算出したものであり、私が考えたものではない。私が使用しているこれらコイルにしろコンデンサーにしろ、性能の良さではそれなりの評価を得ているものをセレクトしたつもりだった。しかしながら、時代は変わる。ここ2〜3年の間にさらなる高性能ネットワークパーツが相次いで発売となったのだ。
まずはコイルの現状について。コイルといえばフォステクスのLSシリーズが目新しい。LSシリーズは待望の銅箔コイル。銅箔コイルは様々な点で通常の銅線コイルより音質的メリットがあるらしい。銅箔コイルと言えば、FOSTEXのLS以外にもDIY.AUDIOのOFC銅箔コイルが入手しやすくなった。DIY.AUDIOの銅箔コイルは秋葉原ラジオ会館の三栄無線で細々と扱われていたらしいが、同店が閉店になってから入手が困難になっていた。しかしながら、今から2年程前にコイズミ無線がDIY.AUDIOの銅箔コイルを扱い始めたのだ。DIY.AUDIOの銅箔コイルには銅箔の幅が25mmのFA-2516シリーズと、38mmのFA-3812シリーズの2グレードがある。その数値的違いは銅箔の幅で、数値的には直流抵抗に違いが出る。断面積の大きいFA-3812シリーズの方がFA-2516シリーズより直流抵抗が低い。その代わり、FA-3812シリーズの価格はFA-2516シリーズの3割増。今年に入り、DIY.AUDIOの銅箔コイルは値下げされ、価格はフォステクスのLSシリーズより安め価格設定となった。例えば、フォステクスのLSシリーズ0.33mH(DCR 0.079Ω)が実売\2,677なら、DIY.AUDIOのFA-2516シリーズの0.33mH(DCR 0.083Ω)は\1,522、FA-3812シリーズの0.33mH(DCR 0.053Ω)は\2,152となっている。そんなかんなで、コイルについてはDIY.AUDIOを使うことにした。PS300に咬ます0.3mHは直列に入るため、音質劣化への影響度が大きい。よって、高価ではあるが直流抵抗の最も少ないFA-3812シリーズをあてがう。FT600の1.8mHは並列に入るので、音質劣化への影響度は少ないと考えてよい。従って、FA-2516シリーズを用いることにした。これらの選定にはコイズミ無線の店員さんにずいぶんとご助言いただいた。 さて、お次はコンデンサー。コンデンサーの新製品と言えば、やはりフォステクスだ。2年程前に、錫箔と銅箔を積層したCSシリーズフィルムコンデンサーが発売。今年になってCTシリーズやCPシリーズなどのフィルムコンデンサーが出揃ったことで、フォステクスのコンデンサーラインナップは一新されたことになる。なお、同社を代表するUΣシリーズなど従来のコンデンサーは絶版となった。さて、これらフォステクスの新型コンデンサーはどんな音色を持っているのか興味のあるところだ。とはいっても、全シリーズを購入して試すほどの根気と金はない。推測では一番高いCSが音質もいいのだろうが、2.2で3340円/ケと極めて高価だ。四つ買うと13000円にもなってしまう。これが、ワンランク下のCTになると1500円/個と半額。さらに、だと600円/個となる。さらに言うなら、シズキ製やソーレン製だと、同容量のものを四つ揃えても千円程度だ。同じ容量のコンデンサーでも相当な価格差がある。問題は価格差だけの音質差があるかどうか。
|
||||||||||||||||||||||||||||||||||||||||||||||||||||||||||||||||||
|
|
||||||||||||||||||||||||||||||||||||||||||||||||||||||||||||||||||
|
|
||||||||||||||||||||||||||||||||||||||||||||||||||||||||||||||||||
| 楽天市場オーディオ市場にはオーディオ機器、オーディオアクセサリーが豊富に揃っています。オーディオマニア必見! | ||||||||||||||||||||||||||||||||||||||||||||||||||||||||||||||||||